ÐË·¢ÓÎÏ·187pt

Êý¾ÝÖÐÐĵçÁ¦¼à¿Ø½â¾ö¼Æ»®
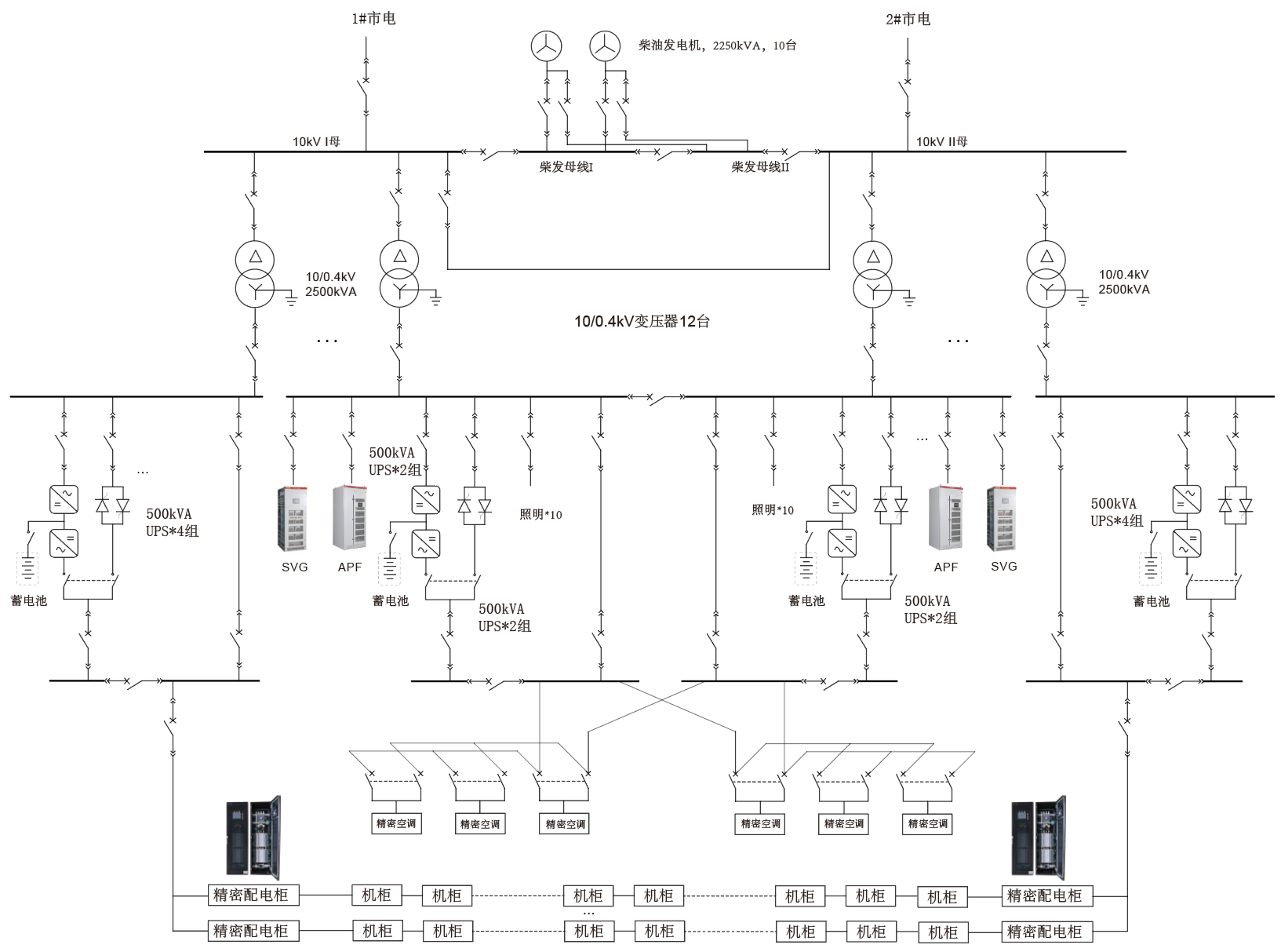
1¡¢¸ÅÊö
  µçÁ¦¼à¿ØÏµÍ³ÊµÏÖ¶ÔÊý¾ÝÖÐÐÄÖеÍѹÅäµçϵͳ¡¢UPS¡¢Ðîµç³Ø×é¡¢ATS/STS¡¢Ï¸ÃÜÅäµç¹ñ¡¢µçԴ֧·µçÁ÷¡¢PDU»ú¹ñµçÔ´ÒÔ¼°ÆäËüÖ÷Ҫװ±¸¾ÙÐмàÊÓ¡¢ÕÉÁ¿¡¢¼Í¼¡¢±¨¾¯µÈ¹¦Ð§£¬£¬£¬£¬£¬ÊµÊ±ÕÆÎÕ¹©µçϵͳÔËÐÐ״̬ºÍ¿ÉÄܱ£´æµÄÒþ»¼£¬£¬£¬£¬£¬¿ìËÙɨ³ý¹ÊÕÏ£¬£¬£¬£¬£¬Ìá¸ßÊý¾ÝÖÐÐĹ©µç¿É¿¿ÐÔ¡£¡£¡£¡£¡£¡£
2¡¢²Î¿¼±ê×¼

GB50174-2017    ¡¶Êý¾ÝÖÐÐÄÉè¼Æ¹æ·¶¡·

GB50052-2016    ¡¶¹©ÅäµçϵͳÉè¼Æ¹æ·¶¡·

GB50054-2011    ¡¶µÍѹÅäµçÉè¼Æ¹æ·¶¡·

GB50311-2016    ¡¶×ۺϲ¼Ïßϵͳ¹¤³ÌÉè¼Æ¹æ·¶¡·

GB/T 14285-2006   ¡¶¼Ìµç±£»£»£»£»£»£»£»¤ºÍÇå¾²×Ô¶¯×°ÖÃÊÖÒÕ¹æ³Ì¡·

GBT 14598.300-2008 ¡¶Î¢»ú±äѹÆ÷±£»£»£»£»£»£»£»¤×°ÖÃͨÓÃÊÖÒÕÒªÇó¡·

3¡¢ÉèÖüƻ®
  ÒÔÏÂΪһ¸ö´óÐÍÊý¾ÝÖÐÐĵĵ䷶µçÆøµ¥ÏßʾÒâͼ£¬£¬£¬£¬£¬ÎªÁËÌá¸ßÊý¾ÝÖÐÐĹ©µç¿É¿¿ÐÔ£¬£¬£¬£¬£¬½ÓÄÉ2·10kVÊе繩µç£¬£¬£¬£¬£¬ÉèÖÃ10̨10kV²ñÓÍ·¢µç»ú×÷Ϊºó±¸µçÔ´¡£¡£¡£¡£¡£¡£ÔÚ0.4kV²àÉèÖÃ500kVA UPSÓÃÓÚϸÃÜ¿ÕЭµ÷ϸÃÜÅäµç¹ñ(ÖÇÄÜСĸÏß)¹©µç¡£¡£¡£¡£¡£¡£
 

 

ÍÆ¼öÉèÖÃ

 

 
4¡¢ÏµÍ³½á¹¹
  ϵͳ½ÓÄÉÂþÑÜʽ½á¹¹£¬£¬£¬£¬£¬Î¢»ú±£»£»£»£»£»£»£»¤×°Öᢶ๦ЧÒÇ±í¡¢±äѹÆ÷ÎÂ¿ØÆ÷¡¢Ö±Á÷ÆÁ¡¢²ñÓÍ·¢µç»ú¿ØÖÆÆÁµÈ×°±¸Í¨¹ýRS485×ÜÏß»òÕßÒÔÌ«Íø½ÓÈëÖÇÄÜÍø¹Ø£¬£¬£¬£¬£¬¾­ÓÉЭÒéת»»¡¢Êý¾Ý´¦Öóͷ£ºóÉÏ´«ÖÁµçÁ¦¼à¿ØÏµÍ³£¬£¬£¬£¬£¬ÊµÏÖÒ£²â¡¢Ò£ÐÅ¡¢Ò£¿£¿£¿£¿£¿Ø¡¢Òì³£±¨¾¯µÈ¹¦Ð§¡£¡£¡£¡£¡£¡£
 
5¡¢ÏµÍ³¹¦Ð§
¡ñ ʵʱ¼à²â
ϵͳÈË»ú½çÃæÓѺ㬣¬£¬£¬£¬ÒÔÅäµçÒ»´ÎͼµÄÐÎʽֱ¹ÛÏÔʾÅäµçÏß·µÄÔËÐÐ״̬£¬£¬£¬£¬£¬ÊµÊ±¼à²â¸÷»ØÂ·µçѹ¡¢µçÁ÷¡¢¹¦ÂÊ¡¢¹¦ÂÊÒòÊý¡¢µçÄܵȵç²ÎÊýÐÅÏ¢£¬£¬£¬£¬£¬¶¯Ì¬¼àÊÓ¸÷Åäµç»ØÂ·¶Ï·Æ÷¡¢¸ôÍÑÀë¹Ø¡¢µØµ¶µÈºÏ·Ö״̬¡¢²ñÓÍ·¢µç»ú״̬¡¢²ñÓÍҺλ¡¢UPS״̬¡¢µç³ØÐÅÏ¢µÈ£¬£¬£¬£¬£¬ÒÔ¼°ÓйعÊÕÏ¡¢¸æ¾¯µÈÐźš£¡£¡£¡£¡£¡£
 
¡ñ Ïêϸµç²ÎÁ¿ÅÌÎÊ
ÔÚÅäµçÒ»´ÎͼÖУ¬£¬£¬£¬£¬¿ÉÒÔÖ±½ÓÉó²é¸Ã»ØÂ·Ïêϸµç²ÎÁ¿£¬£¬£¬£¬£¬°üÀ¨ÈýÏàµçÁ÷¡¢ÈýÏàµçѹ¡¢ÈýÏà×ÜÓй¦¹¦ÂÊ¡¢×ÜÎÞ¹¦¹¦ÂÊ¡¢×ܹ¦ÂÊÒòÊý¡¢ÕýÏòÓ馵çÄÜ£¬£¬£¬£¬£¬²¢¿ÉÒÔÉó²é24СʱÏàµçÁ÷Ç÷ÊÆÇúÏß¡£¡£¡£¡£¡£¡£
 
¡ñ ÔËÐб¨±í
ÅÌÎʸ÷»ØÂ·»ò×°±¸Ö¸×¼Ê±¼äµÄÔËÐвÎÊý£¬£¬£¬£¬£¬±¨±íÖÐÏÔʾµç²ÎÁ¿ÐÅÏ¢Ó¦°üÀ¨£º¸÷ÏàµçÁ÷¡¢ÈýÏàµçѹ¡¢×ܹ¦ÂÊÒòÊý¡¢×ÜÓй¦¹¦ÂÊ¡¢×ÜÎÞ¹¦¹¦ÂÊ¡¢ÕýÏòÓ馵çÄܵÈ. 
 
¡ñ UPS¼à²â
ϵͳÊÕÂÞUPSÊäÈë¡¢Êä³ö¶ËºÍÅÔ·ÈýÏàµçѹ¡¢µçÁ÷¡¢Óй¦¹¦ÂÊ¡¢¹¦ÂÊÒòÊýƵÂÊ£¬£¬£¬£¬£¬Í¬Ê±¼à²âUPSζȡ¢Ðîµç³Øµçѹ¡¢Ä¿½ñ¸ºÔØÏµÄÊ£Óàʱ¼äµÈÊý¾Ý£¬£¬£¬£¬£¬¼ì²âµ½Ò쳣ʱ»áʵʱ·¢³ö¸æ¾¯ÐźÅ£¬£¬£¬£¬£¬¸æ¾¯ÐźÅÒ²¿ÉÒÔÆ¾Ö¤½ôÆÈˮƽ¾ÙÐзּ¶¡£¡£¡£¡£¡£¡£
 
¡ñ Ï¸ÃÜÅäµç¹ñ¼à²â
ϵͳ¿ÉÒÔչʾϸÃÜÅäµç¹ñÄÚ½øÏߺÍÀ¡Ïß»ØÂ·µçÆø²ÎÊý£¬£¬£¬£¬£¬°üÀ¨µçÁ÷µçѹ¹¦ÂʵçÄÜÒÔ¼°¿ª¹Ø×´Ì¬£¬£¬£¬£¬£¬²¢¿ÉÒÔ¶ÔÊý¾Ý¾ÙÐб¨¾¯ÉèÖúͷּ¶£¬£¬£¬£¬£¬Êý¾ÝÈ¡×ÔϸÃÜÅäµç¹ñÕÉÁ¿Ä£¿£¿£¿£¿£¿é¡£¡£¡£¡£¡£¡£
 
¡ñ ÊµÊ±±¨¾¯
µçÁ¦¼à¿ØÏµÍ³¾ßÓÐʵʱ±¨¾¯¹¦Ð§£¬£¬£¬£¬£¬ÏµÍ³Äܹ»¶ÔÅäµç»ØÂ·¶Ï·Æ÷¡¢¸ôÍÑÀë¹Ø¡¢½ÓµØµ¶·Ö¡¢ºÏÐж¯µÈÒ£Ðűä룬£¬£¬£¬£¬±£»£»£»£»£»£»£»¤Ðж¯¡¢Ê¹ÊÌøÕ¢µÈÊÂÎñ·¢³ö¸æ¾¯¡£¡£¡£¡£¡£¡£µçÁ¦¼à¿ØÏµÍ³¾ßÓÐʵʱÓïÒô±¨¾¯¹¦Ð§£¬£¬£¬£¬£¬ÏµÍ³Äܹ»¶ÔËùÓÐÊÂÎñ·¢³öÓïÒô¸æ¾¯¡£¡£¡£¡£¡£¡£
 
¡ñ ÀúÊ·ÊÂÎñÅÌÎÊ
µçÁ¦¼à¿ØÏµÍ³Äܹ»¶ÔÒ£Ðűä룬£¬£¬£¬£¬±£»£»£»£»£»£»£»¤Ðж¯¡¢Ê¹ÊÌøÕ¢£¬£¬£¬£¬£¬ÒÔ¼°µçѹ¡¢µçÁ÷¡¢¹¦ÂÊ¡¢¹¦ÂÊÒòÊýÔ½ÏÞµÈÊÂÎñ¼Í¼¾ÙÐд洢ºÍ¹ÜÀí£¬£¬£¬£¬£¬Àû±ãÓû§¶ÔϵͳÊÂÎñºÍ±¨¾¯¾ÙÐÐÀúÊ·×·ËÝ£¬£¬£¬£¬£¬ÅÌÎÊͳ¼Æ¡¢ÊÂ¹ÊÆÊÎö¡£¡£¡£¡£¡£¡£
 
¡ñ µçÄÜͳ¼Æ±¨±í
µçÁ¦¼à¿ØÏµÍ³ÒÔ¸»ºñµÄ±¨±íÌåÖ§³ÖÁ¿ÏµÍ³µÄÍêÕûÐÔ¡£¡£¡£¡£¡£¡£ÏµÍ³¾ß±¸×¼Ê±³­±í»ã×Üͳ¼Æ¹¦Ð§£¬£¬£¬£¬£¬Óû§¿ÉÒÔ×ÔÓÉÅÌÎÊ×ÔϵͳÕý³£ÔËÐÐÒÔÀ´í§Òâʱ¼ä¶ÎÄÚ¸÷Åäµç½ÚµãµÄÓõçÇéÐΣ¬£¬£¬£¬£¬¼´¸Ã½Úµã½øÏßÓõçÁ¿Óë¸÷·ÖÖ§»ØÂ·ÏûºÄµçÁ¿µÄͳ¼ÆÆÊÎö±¨±í¡£¡£¡£¡£¡£¡£
 
¡ñ Óû§È¨ÏÞ¹ÜÀí
µçÁ¦¼à¿ØÏµÍ³Îª°ü¹ÜϵͳÇå¾²ÎȹÌÔËÐУ¬£¬£¬£¬£¬ÉèÖÃÁËÓû§È¨ÏÞ¹ÜÀí¹¦Ð§¡£¡£¡£¡£¡£¡£Í¨¹ýÓû§È¨ÏÞ¹ÜÀíÄܹ»±ÜÃâδ¾­ÊÚȨµÄ²Ù×÷£¨ÈçÒ£¿£¿£¿£¿£¿ØµÄ²Ù×÷£¬£¬£¬£¬£¬Êý¾Ý¿âÐ޸ĵȣ©¡£¡£¡£¡£¡£¡£¿£¿£¿£¿£¿ÉÒÔ½ç˵²î±ð¼¶±ðÓû§µÄµÇ¼Ãû¡¢ÃÜÂë¼°²Ù×÷ȨÏÞ£¬£¬£¬£¬£¬ÎªÏµÍ³ÔËÐС¢Î¬»¤¡¢¹ÜÀíÌṩ¿É¿¿µÄÇå¾²°ü¹Ü¡£¡£¡£¡£¡£¡£
 
¡ñ Ò£¿£¿£¿£¿£¿Ø²Ù×÷
µçÁ¦¼à¿ØÏµÍ³¿ÉÒÔ¶ÔÕû¸öÅäµçϵͳ¹æÄ£ÄÚµÄ×°±¸¾ÙÐÐÔ¶³ÌÒ£¿£¿£¿£¿£¿Ø²Ù×÷¡£¡£¡£¡£¡£¡£ÀýÈçÅäµçϵͳά»¤Ö°Ô±¿ÉÒÔͨ¹ý¼à¿ØÏµÍ³µÄÖ÷½çÃæµã»÷ÏìÓ¦µÄ¶Ï·Æ÷Ò£Ðŵãµ÷³öÒ£¿£¿£¿£¿£¿Ø²Ù×÷½çÃæ£¬£¬£¬£¬£¬¿ÉÒÔʵʱִÐе÷Àíϵͳ»òÕ¾ÄÚÏìÓ¦µÄ²Ù×÷ÏÂÁî¡£¡£¡£¡£¡£¡£
 
¡ñ ÍøÂçÍØÆËͼ
µçÁ¦¼à¿ØÏµÍ³Ö§³Öʵʱ¼àÊÓ½ÓÈëϵͳµÄ¸÷×°±¸µÄͨѶ״̬£¬£¬£¬£¬£¬Äܹ»ÍêÕûµÄÏÔʾÕû¸öÏµÍ³ÍøÂç½á¹¹£»£»£»£»£»£»£»¿ÉÔÚÏßÕï¶Ï×°±¸Í¨Ñ¶×´Ì¬£¬£¬£¬£¬£¬±¬·¢ÍøÂçÒ쳣ʱÄÜ×Ô¶¯ÔÚ½çÃæÉÏÏÔʾ¹ÊÕÏ×°±¸»òÔª¼þ¼°Æä¹ÊÕϲ¿Î»¡£¡£¡£¡£¡£¡£
 
¿Í·þ1
¿Í·þ2
¿Í·þ3
¿Í·þ4
ÍøÕ¾µØÍ¼