ÐË·¢ÓÎÏ·187pt

¹ØÖл·Ïß½ðÇþ·§ÊÒÀ©½¨·ÖÊäÕ¾¹¤³ÌÏû·ÀÓ¦¼±ÕÕÃ÷ºÍÊèɢָʾϵͳµÄÑо¿ÓëÓ¦ÓÃ

»ù±¾ÐÅÏ¢£º
ÏîÄ¿Ãû³Æ£º¹ØÖл·Ïß½ðÇþ·§ÊÒÀ©½¨·ÖÊäÕ¾¹¤³Ì Ïû·ÀÓ¦¼±ÕÕÃ÷ºÍÊèɢָʾϵͳ
ÏîÄ¿ËùÔÚ£ºÉÂÎ÷
ʵÑéʱ¼ä£º
ÏîÄ¿¼ò½é£º
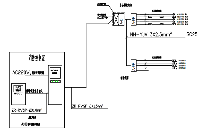
¹ØÖл·Ïß½ðÇþ·§ÊÒÀ©½¨·ÖÊäÕ¾¹¤³ÌλΪÉÂÎ÷Ê¡±¦¼¦ÊÐÃ¼ÏØ°ÔÍõºÓ¹¤ÒµÔ°ÇøÑç¼Ò´å£¬£¬£¬£¬£¬ÏÖ³¡ÓÉÒ»¶°3²ãµÄ°ì¹«Â¥ÒÔ¼°Ò»¶°Ò»²ãµÄ¸¨ÖúÓ÷¿×é³É£¬£¬£¬£¬£¬¸¨ÖúÓ÷¿ÄÚÓÐÈ¼Æø¹øÂ¯ºÍÈ¼Æø·¢µç»ú£¬£¬£¬£¬£¬´Ë²¿·ÖÓзÀ±¬ÒªÇ󡣡£¡£¡£¡£¡£¡£Éè¼ÆÒ»Ì×ϵͳʵÏÖÕû¸ö×ÔÈ»Æø·ÖÊäÕ¾µÄÓ¦¼±ÕÕÃ÷¿ØÖÆ£¬£¬£¬£¬£¬ïÔÌ­ÔÖÄѱ¬·¢Ê±µÄÖ°Ô±ÉËÍö£¬£¬£¬£¬£¬½µµÍ¹¤ÒµËðʧ¡£¡£¡£¡£¡£¡£¡£
ϵͳʵÏֵĹ¦Ð§£º
1.Ïû·ÀÁª¶¯
2.ϵͳ¼à¿Ø
3.ϵͳ×Ô¼ì
4.¼Í¼ÅÌÎÊ
5.µ¼¹âÁ÷
¿Í·þ1
¿Í·þ2
¿Í·þ3
¿Í·þ4
ÍøÕ¾µØÍ¼